
主要特点
1、结构设计合理,有效的消除了卫生死角,结构地渡圆滑,表面经抛光处理,外部构件,紧固件及与物料接触部分均采用不锈钢制作,外壳为翻盖式,可对离心机外壳与转鼓夹层空间进行彻底的清洗。
2、机座为平板式结构,降低了机器重心,占地面积小,机座与外壳采用整体焊接形式,承载强度高。
配置液态阻尼液或橡胶阻尼减震器,更加有效的消除了震动,可实现无基础安装使用。
3、外壳翻盖可根据机型配备大翻盖或小翻盖,盖上可设备进料管,洗涤管,观察口,灯口及喷淋系统。另可配备氮气保护装置,保证离心机腔体与外部空气隔离。
4、直联式专用电机,消除了皮带传动可能带来的粉尘,变频器启动,启动平稳,能耗制动,整机密封性能良好,可实现密闭防瀑要求,可应用于有毒和易燃,易爆场合。另可配备氮气保护装置,保证离心机腔体与外部空气隔离。
应用范围
该机型针对物料中固体含量大,颗粒细微,又难于过滤的性质而设计的一种利用密度差高速状态下分离的设备,可单独使用,也可做为管式分离机的前期处理工序使用,在与挂杯式离心机运转效果对比中,如转鼓转速和直径相同,该机具有处理量大,操作简单的优点。
结构及原理
PSC平板式上卸料离心机以转鼓为主件,直联式电机趋动转鼓自身轴线高速旋转。形成离心力场。无孔型沉降式高速离心机,转速高。分离因数大。上部装有密闭盖及撇液管,从顶部中心加料管加料在重力作用下进入中心布料器,液相经布料器均匀沉积在转鼓内壁,离心机调整旋转,在离心力场的作用下,固相物沉积在转鼓内部,液相经虹吸式撇液装置排出,固相物待停机后人工由上部卸出。
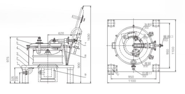
结构图

1、机脚减震器
2、平板底盘
3、壳体
4、转鼓
5、扣紧扳手
6、上盖
7、输液装置
8、开盖气弹簧
9、直连电机
技术参数表

选型说明:1、全实心碳钢平板机身。2、气弹簧或平衡器控制翻盖。3、直联防爆电机离心机专用或外挂电机,配变频器,刹车电阻,现场防爆按钮。4、液态阻尼减震器,无基础安装。5、大翻盖或小翻盖密闭。