
主要特点
1、结构设计合理,有效的消除了卫生死角,结构地渡圆滑,表面经抛光处理外部构件,紧固件及与物料接触部分均采用不锈钢制作,外壳为翻盖式,可对离心机外壳与转鼓夹层空间进行彻底的清洗。
2、机座为平板式结构,降低了机器重心占地面积小,机座与外壳采用整体焊接形式,承载强度高。
3、配置液态阻尼液或橡胶阻尼减震器,更加有效的消除了震动,可实现无基础安装使用。
4、外壳翻盖可根据机型配备大翻盖或小翻盖,盖上可设备进料管,洗涤管,观察口,灯口及喷淋系统。另可配备氮气保护装置,保证离心机腔体与外部空气隔离。
5、直联式专用电机,消除了皮带传动可能带来的粉尘,变频器启动,启动平稳,能耗制动,整机密封性能良好,可实现密闭防爆要求,可应用于有毒和易燃易爆场合。另可配备氮气保护装置,保证离心机腔体与外部空气隔离。
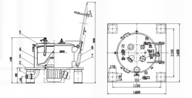
结构图

1.减震器
2.平板底盘
3.外壳
4.转鼓
5.上盖
6.开盖平衡器
7.直联电机
结构及原理
PS-NC平板式直联过滤离心机以转鼓为主件,直联式电机驱动转鼓绕自身轴线高速旋转,形成离心力场。被分离的悬浮液从顶部加料管带入转鼓,在离心力的作用下,抛向转鼓壁,液相经转鼓壁上的滤网,滤孔抛向机壳空间,汇集在机身底部集液腔内,经排液管排出,而固相物存留在滤布的内侧。若需洗涤,则洗涤水通过洗涤管加入洗涤。固相物由人工从上部卸出。
平板直联过滤离心机技术参数表
