
结构及原理
PSF800-NC型平板式直联全翻壳离心机是根据GMP规范要求在普通平板离心机的基础上而设计的。传动采用电机直联的方式,机壳采取手动或电动的方式打开,利于清洗物料接触部位更适用于产品批次更换频繁的生产。
本型号离心机属于间歇操作的过滤设备。物料从进料管加入到转鼓内,在离心力的作用下固相被过滤介质拦截在转鼓内,液相则通过过滤介质孔隙排出转鼓外,然后从出液管流出机外收集。
本机型具备小开盖和全翻壳的方式方便对离心机的全方位的清洗、更换滤袋和卸料等操作。

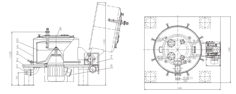
1、减震器
2、平板底盘
3、锁紧卡子
4、外壳
5、转鼓
6、上盖
7、翻壳装置
8、直连电机
技术参数表

1111