
主要特点
1、PGZ平板式机械刮刀下卸料离心机为平板式刮刀下部卸料、间歇操作、程序控制的过滤式离心机,通过先进的PLC可编程控制器控制,采用变频调速器和刹车制动单元以及液压气动组合,单机可与主控中心计算机联网。由液压、电气控制系统自动完成进料、分离、洗涤、脱水、卸料等工序,可实现远距离操作.
2、可广泛用于含粒径0.05-0.15毫米固相颗粒的悬浮液分离,该机无离合器,无刹车瓦,特别适宜热敏感性强,操作人员不宜接近的物料的分离,完全适用于易燃易爆,有毒,易腐蚀的工业现场。
该机具有自动化程度高,处理量大、分离效果好、运转稳定、操作方便等优点,可实现全方位清洗,无基础安装,取消了传统悬挂式机脚,简化安装过程。无基础平板配重及隔震器类型的选用阻尼减震系统,使设备产生的震动被完全吸收,对基础地面及周围设备无干扰,安全可靠,符合GMP标准。
主要用途
广泛用于固相为颗粒状悬浮液的过滤,平板式除一般用途外,特别适用于密度大,有毒,有害,易燃,易爆等介质的液固分离,用于制药,食品,化工,国防等工业领域里的原料,中间体及成品的液固分离。
结构及原理
平板式下卸料离心机以转鼓为主件,将刮刀驱动,机械传动,机壳等功能部件模块化设计,使之可以实现多功能任意组合。刮刀驱动有液压,气动,手动等方式。启动配有变频启动,电刹车。电机通过皮带传动,带动转鼓主轴轴心旋转,形成离心力场。被分离的悬浮液从顶部加料管进入转鼓,落在布料盘上,在离心力的作用下,抛向转鼓壁,液相经转鼓壁上的滤网,滤孔抛向机壳空间,汇集在底盘内,经排液管排出,而固相存留在滤布的内侧。若需洗涤,则洗涤水通过洗涤管加入洗涤,脱水完毕后,转鼓低速转动,刮刀将固相物刮落下来,经转鼓底部出料口卸出。
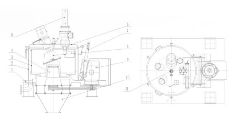
结构图

1、机座
2、机壳
3、转鼓
4、传动部件
5、刮刀部件
6、机盘
7、开盖气缸
8、加料部件
9、主电机
10、出料斗
技术参数表
